首页
走进洁尔爽
公司简介
公司风采
企业文化
荣誉认证
领导关怀
抗菌研究中心
新闻中心
公告信息
企业动态
行业资讯
产品中心
卫生整理剂
健康功能材料
防护整理剂
染整新材料
穿着化妆品
功能新材料
产品检测
检测报告
环保认证
生态检测报告
技术交流
技术论文
技术讲座
联系我们
检测报告
您的位置 :
首页
>
检测报告
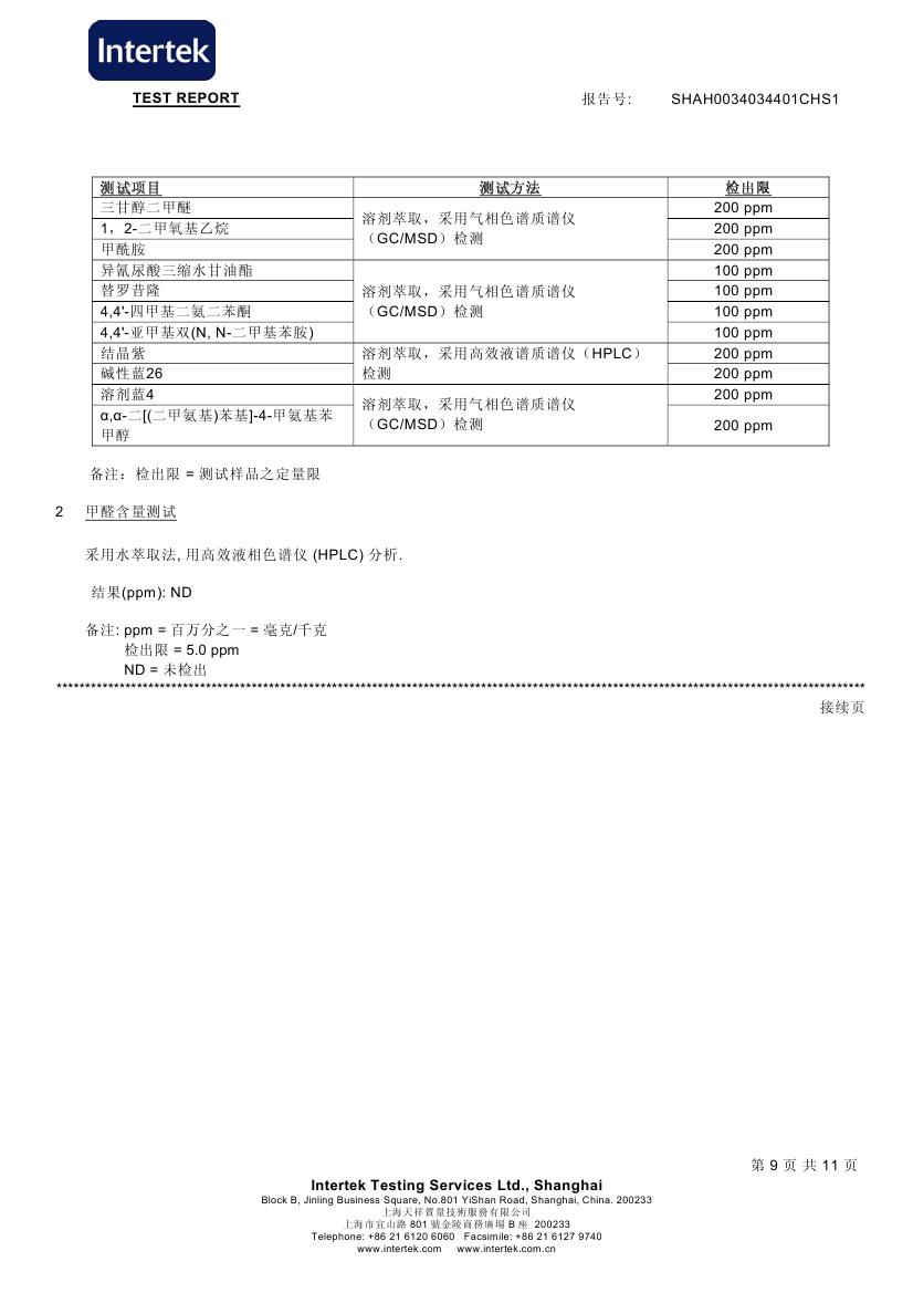
ITS 检测报告--防紫外整理剂SCJ-966
检测单位:Intertek 检测机构
走进洁尔爽
新闻中心
产品中心
产品检测
技术交流
人才招聘
联系我们
公司简介
公司采风
企业文化
荣誉认证
领导关怀
全国纺织抗菌研发中心
公告信息
企业动态
行业资讯
卫生整理剂
健康功能材料
穿着化妆品
防护整理剂
染整新材料
功能新材料
检测报告
环保认证
生态检测报告
技术论文
技术讲座
人才战略
人才招聘
联系方式
©2005-2020 北京洁尔爽高科技有限公司
京ICP备05006376号-9
热线电话:
400-6500-939